COB系列

1417COB3-12W平面光源LED

1417COB3-12W平面光源LED
产品型号:TM-S1417H-E
产品特点:金线 知名芯片 低压直流
99.99%金线焊接 颜色一致性高 低压直流操作
更可靠、更稳定 高品质,高流明 更安全
节能高效 瞬时启动
应用场景
广泛应用各类家电,电子产品、照明灯饰、数码产品、汽车电子、通信交通指示、城市亮化工程的相关产业
产品型号:TM-S1417H-E
产品特点:金线 知名芯片 低压直流
99.99%金线焊接 颜色一致性高 低压直流操作
更可靠、更稳定 高品质,高流明 更安全
节能高效 瞬时启动
应用场景
广泛应用各类家电,电子产品、照明灯饰、数码产品、汽车电子、通信交通指示、城市亮化工程的相关产业
联系im电竞
1417COB3-12W平面光源LED 立即咨询
首页/产品/COB系列
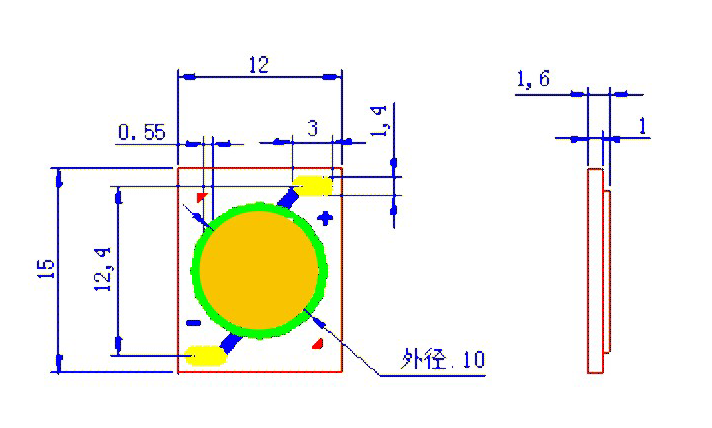
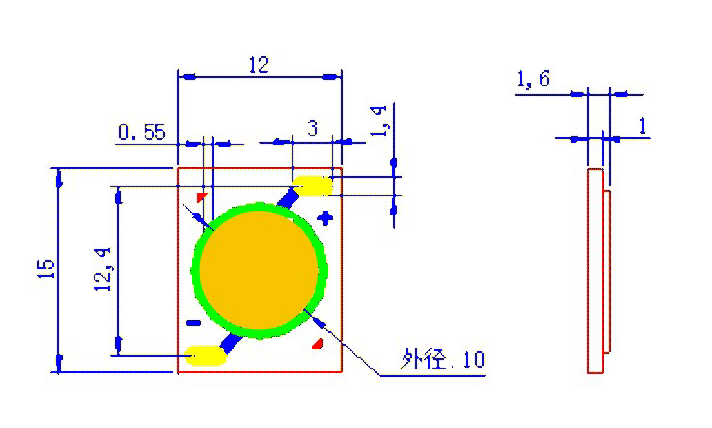
技术规格

广泛应用于:景观灯、室内照明、室外路灯照明、舞台灯、亮化工程等。

注:功率大小、电压、色温均可按客户要求做货。

im电竞公司COB光源使用注意事项

使用我司COB光源产品,使用前,请仔细阅读本说明,避免造成不良产品发生!

一、安装说明及注意事项:

1、 请勿使用超过我司推荐电压/电流的 LED 驱动电源点亮,需使用我司推荐的电压/电流或推荐以下的电压/电流驱动;

2、使用本产品请确保 LED 驱动电源正极和负极分别焊接 LED 光源的正极和负极,切勿正负极焊接错误;

3、 焊接时必须对电源进行放电,请勿带电作业;

4、 静电的防护,组装台(工作台)需采用防静电台垫,且要接地。烙铁必须要接地,避免过大的静电产生导致击穿芯片而漏电或死灯;

5、 我司采用的是硅胶封装工艺的 LED光源, 手动焊接时应注意不得触碰或按压光源硅胶,组装反光杯、灯壳时,不可压到光源围坝胶(我司COB光源围坝均围在二焊盘上)及 光源胶体表面,以防止因外力作用造成 LED 光源内部金线断裂导致部分 LED 不亮(或闪烁)现象的产生;

6、 由于大功率 LED 光源为发热物体,安装及使用时必须做好散热措施。组装 LED 光源产品时需将高导热系

数的散热硅脂(规格:凝固温度≥250℃、导热系数≥3.0)适量且均匀涂抹在光源底部,有利于产品在使用过程中加强散热效果,良好的散热结构可以保证产品光衰更小、使用寿命更长;涂好散热硅脂的光源,安装在灯具上时,不要用手压到胶体表面;

7、建议使用烙铁头大小为 1.8mm 可控温烙铁进行焊接。采用温度恒温在 300℃±10℃可控温焊接设备,焊接时间为 5-6 秒, 最好在焊接前用锡膏先加一个锡球既能加固焊接防止虚焊又能节约焊接时间。避免因焊接时间过长、温度过高造成硅胶迅速膨胀,使金线拉`断致死灯;焊接前,最好先用焊枪在焊盘上焊上适当的锡,既能加固焊接防止虚焊又能节约焊接时间;

8、保护膜在制程中起到对 LED 光源的防护作用,焊接前后请勿撕掉保护膜,防止杂物及灰尘粘在光源表面;点亮前必须撕掉保护膜,防止光源点亮高温熔化保护膜,导致光源受损 ;

9、本产品属于恒流型元器件,请勿采用恒压驱动;否则会产生颜色、亮度不一致。且当环境温度升高 LED 光源结温上升使内阻减小, LED 光源电流升高, 影响其寿命, 严重的使 LED “烧坏” ,故最好用恒流源供电,以保证光源稳定;

10、干燥剂发黄或过期使用,光源要用 60°±6°/24 小时进行除湿,再使用;

11、 老化 2H 后发光面的温度不能高于 120 度,基板负极接线处温度低于80度,基板与外壳的温差应在20度之内;

12、 如发现产品存在异常(如不能正常点亮的情况),请勿进行焊接使用,并在当天与我司专业人员联系解决处理。

20160716155038_20777.png

O1CN01w80vn91cqf6r7wHE5_!!985613652-0-cib.jpg

953a9632da74583134767d52272314a.jpg





3652623452ef7535366051678caaf0a.jpg




im电竞实业电子目录书_03.png









GREATBRIGHT



GREATBRIGHT



GREATBRIGHT




GREATBRIGHT



im电竞企业文化:

提高im电竞职工身体素质  增强企业凝聚力

initpintu_副本.jpg



Copyright © 2020 广东im电竞光电科技有限公司All rights reserved 粤ICP备2022115307号 网站地图 法律申明